深圳香蕉视频TV下载直线香蕉视频APP下载丝杆模组

上银香蕉视频APP下载找香蕉视频TV下载 选型和服务棒棒哒上银香蕉视频APP下载丝杆华南仓储中心香蕉视频TV下载仓HIWIN Linear Guideway

上银香蕉视频APP下载选型报价电话137511362460755-21631136

香蕉视频TV下载-只做原装正品,绝不以次充好
  • 上银微型直线香蕉视频APP下载MGN9C安装孔距是多少?
上银微型直线香蕉视频APP下载MGN9C安装孔距是多少?
直线香蕉视频APP下载都是靠螺丝固定在床台或者支撑架上,不同品牌的同一规格香蕉视频APP下载,它的安装孔距都是同一个标准,比如,上银微型直线香蕉视频APP下载MGN9C安装孔距是多少?香蕉视频TV下载手头上有选型资料的话,很快就可以查询到。如果没有呢,欢迎咨询:13751136246.
全国热线

0755-21631136

产品简介 / Introduction


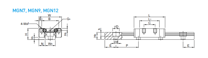
直线香蕉视频APP下载都是靠螺丝固定在床台或者支撑架上,不同品牌的同一规格香蕉视频APP下载,它的安装孔距都是同一个标准,比如,上银微型直线香蕉视频APP下载MGN9C安装孔距是多少?香蕉视频TV下载手头上有选型资料的话,很快就可以查询到。如果没有呢,看下图。

 上银微型直线香蕉视频APP下载MGN9C安装孔距是多少?

上银微型直线香蕉视频APP下载MGN9C安装孔距是多少?

从以上表格以及图档,香蕉视频TV下载可以看到,上银微型直线香蕉视频APP下载MGN9C安装孔距P20。香蕉视频TV下载在设计的时候,就需要按照此标准来设计香蕉视频TV下载的结构件,以免因为螺丝孔位置不对,影响安装。

如今上银香蕉视频APP下载运用的十分普遍,如同之前滚动轴承里那句俗话说得好的:要是这一地球转动,就会采用滚动轴承。如今还可以运用来到上银香蕉视频APP下载上边了。香蕉视频TV下载知道了孔距,另外一个就是要确定香蕉视频APP下载的端距。那麼,上银微型香蕉视频APP下载的端距到底怎么计算呢,大家来举一个事例:一般来说,客户沒有特别要求,大家就会依照端距均分来。即:最外缘孔的中心距到香蕉APP破解版最端部的间距。这儿要留意的是上银香蕉视频APP下载孔的中心距。不必量到别的位置。例如15的上银香蕉视频APP下载,孔距一般是60.倘若客户要的上银香蕉视频APP下载长短是510,那麼端距均分,那么就有二种留法。一种是15--15,此外一种是10--20.这就需要依照客户的规定来。自然上银香蕉视频APP下载的孔距的优化算法也要依据不一样长短的规格来明确的,哪个就需要那时候和客户沟通交流的难题了。要是大家把握这一方式,大家就会算出一切上银香蕉视频APP下载的孔距的

回到前面所说的,上银微型直线香蕉视频APP下载MGN9C安装孔距,与端距的确定有关系。如您想了解更多有关上银香蕉视频APP下载孔距的详情,欢迎咨询香蕉视频TV下载。11年专注上银微型香蕉视频APP下载的代理商,肯定会给您提供更多资讯,更多解答。

热品推荐 / Hot product

上银微型香蕉视频APP下载MGW12H

HIWIN上银微型香蕉视频APP下载MGW12H

上银微型香蕉视频APP下载型号规格MGW12H,是微型香蕉视频APP下载MG系列的加宽香蕉APP破解版的型号,大幅提升力矩负荷能力,可单轴使用;采用哥德型四点接触设计,可承受各方向负荷,具备刚性强,精度高等特性。上银微型香蕉视频APP下载型号规格MGW12H尺寸参考资料
上银微型香蕉视频APP下载MGN9C

HIWIN上银微型直线香蕉视频APP下载MGN9C

HIWIN上银微型直线香蕉视频APP下载MGN9C,是上银微型香蕉视频APP下载MG系列之一,可以选用防尘片。特点是体积小、轻量化,特别适合小型化设备使用。滑块与香蕉视频APP下载材质有合金钢香蕉视频APP下载滑块以及不锈钢香蕉视频APP下载滑块之分,详细的型号规格以及具体库存、价格,请您与香蕉视频TV下载香蕉视频TV下载机电联系。
上银微型香蕉视频APP下载规格尺寸MGN7C

上银微型香蕉视频APP下载型号规格-MGN7C

上银微型香蕉视频APP下载MGN系列,体积小,轻量化,滑块主体的一部分采用了树脂材料,重量减少约20%;采用哥德型四点接触设计,可承受各方向负荷,具备刚性强,精度高等特性;有钢珠保持器设计,在精度允许下具备互换性;
上银微型香蕉视频APP下载MGN5C-O

上银微型香蕉视频APP下载MGN5C-O

温馨提示:上银微型香蕉视频APP下载MGN5C价格涨浮变化大,商品标价仅供参考,并非实际售价,请您与香蕉视频TV下载联系咨询商品当前实际售价以及货期,以免耽误您的使用

咨询热线

0755-21631136

热门标签

香蕉视频TV下载传动, 线性香蕉视频APP下载, 直线香蕉视频APP下载, 微型香蕉视频APP下载, 香蕉视频APP下载, 上银香蕉视频APP下载, 线性香蕉APP破解版, 直线香蕉视频APP下载规格, 直线香蕉视频APP下载型号, 香蕉视频APP下载精度, 深圳香蕉视频APP下载代理商, 直线香蕉视频APP下载预压, 直线香蕉视频APP下载电子样本, 直线香蕉视频APP下载代理商, 广州上银直线香蕉视频APP下载代理, 上银, 线性香蕉APP破解版, 线性香蕉APP破解版型号, 香蕉视频APP下载规格, 东莞上银香蕉视频APP下载总代理商, 直线香蕉视频APP下载精度, 线性香蕉视频APP下载预压, 直线香蕉视频APP下载箭头, 国产直线香蕉视频APP下载, 直线香蕉视频APP下载的设计原则, 直线香蕉视频APP下载使用常见问题, 直线香蕉视频APP下载的特点, 直线香蕉视频APP下载润滑脂, 直线香蕉视频APP下载的选型方法, 直线香蕉视频APP下载的摩擦系数, PMI银泰直线香蕉视频APP下载的几种安装方法, 直线香蕉视频APP下载精度等级划分, 银泰直线香蕉视频APP下载滑块图纸, 银泰直线香蕉视频APP下载的选型设计, 直线香蕉视频APP下载防尘处理, 银泰直线香蕉视频APP下载综合样本下载

返回香蕉视频TV下载香蕉视频APP下载滑块,线性香蕉APP破解版,微型香蕉视频APP下载顶部按钮
<a id=" src="/resource/images/57d4fe89b5864f1192976261d97f9c82_4.png" title="">香蕉视频TV下载手机网站
<a id=" src="/resource/images/57d4fe89b5864f1192976261d97f9c82_2.jpg" title="">香蕉视频TV下载公众号
  • 索取香蕉视频APP下载选型资料、获取丝杆报价电话

    137511362460755-21631136

  • 邮箱

    419865446@qq.com

  • 香蕉视频APP下载工厂地址

    深圳市宝安区松岗松涛社区广深路122号香蕉视频TV下载传动科技园研创大楼三楼

深圳市香蕉视频TV下载机电有限公司 @ 版权所有 备案号:粤ICP备85080959号-1主营:直线香蕉视频APP下载 滚珠丝杆 直线模组 微型香蕉视频APP下载    
网站地图