深圳香蕉视频TV下载直线香蕉视频APP下载丝杆模组

上银香蕉视频APP下载找香蕉视频TV下载 选型和服务棒棒哒上银香蕉视频APP下载丝杆华南仓储中心香蕉视频TV下载仓HIWIN Linear Guideway

上银香蕉视频APP下载选型报价电话137511362460755-21631136

香蕉视频TV下载-只做原装正品,绝不以次充好
  • 上银微型香蕉视频APP下载MGN9C
  • 上银微型香蕉视频APP下载MGN9C
HIWIN上银微型直线香蕉视频APP下载9号规格的大小
在HIWIN上银微型直线香蕉视频APP下载的众多型号规格中,9号的大小尺寸是怎样的?香蕉视频TV下载今天就来说说。所谓9号,就是指香蕉视频APP下载的宽度是9mm ,这个规格的香蕉视频APP下载,属于微型香蕉视频APP下载MGN系列范畴,具体也有以下几种型号。
全国热线

0755-21631136

产品简介 / Introduction

在HIWIN上银微型直线香蕉视频APP下载的众多型号规格中,9号的大小尺寸是怎样的?香蕉视频TV下载今天就来说说。所谓9号,就是指香蕉视频APP下载的宽度是9mm,这个规格的香蕉视频APP下载,属于微型香蕉视频APP下载MGN系列范畴,具体也有以下几种型号。

1,上银香蕉视频APP下载MGN9C型以及MGN9H型

根据上银香蕉视频APP下载型号的命名规则,MGN9C是标准型滑块,MGN9H是加长型滑块。它们两者之间的区别,只在于滑块的长度,具体尺寸,香蕉视频TV下载可以参考下图:

上银微型直线香蕉视频APP下载MGN9规格尺寸


型号

组件尺寸

(mm)

滑块尺寸(mm)
香蕉视频APP下载尺寸(mm)

香蕉视频APP下载的

固定螺

栓尺寸

基本

动额

定负荷

基本

静额

定负荷

容许静力矩
重量
Mr Mp My 滑块 香蕉视频APP下载
H H1 N W B B1 C L1 L G Gn M*L H2 Wr Hr D h d p E mm C(kN) Co(kN) N-m N-m
N-m
kg kg/m
MGN9C 10
2
5.5
20
15
2.5
10 18.9 28.9 -
φ1.4
M3*3
1.8
9
6.5
6
3.5 3.5 20 7.5 M3*8 1.86 2.55 11.76 7.35 7.35 0.016 0.38
MGN9H
16 29.9 39.9 3.5 3.5 20 7.5 3.5 3.5 7.5 19.60 18.62 18.62 0.026 0.38

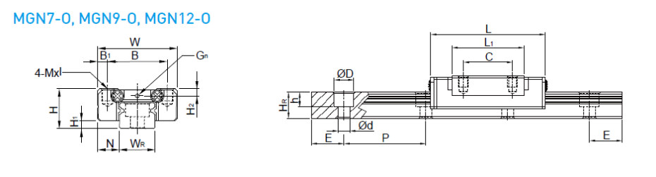
2,上银香蕉视频APP下载MGN9C-O以及MGN9H-O

     具体的型号参数,香蕉视频TV下载可以参照下图。

上银微型直线香蕉视频APP下载MGN-O规格


型号

组件尺寸

(mm)

滑块尺寸(mm)
香蕉视频APP下载尺寸(mm)

香蕉视频APP下载的

固定螺

栓尺寸

基本

动额

定负荷

基本

静额

定负荷

容许静力矩
重量
Mr Mp My 滑块 香蕉视频APP下载
H H1 N W B B1 C L1 L G Gn M*L H2 Wr Hr D h d p E mm C(kN) Co(kN) N-m N-m
N-m
kg kg/m
MGN9C-O 10
2.2
5.5
20
15
2.5
10 19.4 30 -
φ1.4
M3*3
1.8
9
6.5
6
3.5 3.5 20 7.5 M3*8 2.01 2.84 13.05 8.97 8.97 0.012 0.38
MGN9H-O
16 29.3 39.9 3.5 3.5 20 7.5 M3*8 2.5 3.93 19.71 21.47 21.47 0.02 0.38

香蕉视频TV下载上银微型直线香蕉视频APP下载的优势

香蕉视频TV下载上银微型直线香蕉视频APP下载的优势2

热品推荐 / Hot product

上银微型香蕉视频APP下载MGW12H

HIWIN上银微型香蕉视频APP下载MGW12H

上银微型香蕉视频APP下载型号规格MGW12H,是微型香蕉视频APP下载MG系列的加宽香蕉APP破解版的型号,大幅提升力矩负荷能力,可单轴使用;采用哥德型四点接触设计,可承受各方向负荷,具备刚性强,精度高等特性。上银微型香蕉视频APP下载型号规格MGW12H尺寸参考资料
上银微型香蕉视频APP下载MGN9C

HIWIN上银微型直线香蕉视频APP下载MGN9C

HIWIN上银微型直线香蕉视频APP下载MGN9C,是上银微型香蕉视频APP下载MG系列之一,可以选用防尘片。特点是体积小、轻量化,特别适合小型化设备使用。滑块与香蕉视频APP下载材质有合金钢香蕉视频APP下载滑块以及不锈钢香蕉视频APP下载滑块之分,详细的型号规格以及具体库存、价格,请您与香蕉视频TV下载香蕉视频TV下载机电联系。
上银微型香蕉视频APP下载规格尺寸MGN7C

上银微型香蕉视频APP下载型号规格-MGN7C

上银微型香蕉视频APP下载MGN系列,体积小,轻量化,滑块主体的一部分采用了树脂材料,重量减少约20%;采用哥德型四点接触设计,可承受各方向负荷,具备刚性强,精度高等特性;有钢珠保持器设计,在精度允许下具备互换性;
上银微型香蕉视频APP下载MGN5C-O

上银微型香蕉视频APP下载MGN5C-O

温馨提示:上银微型香蕉视频APP下载MGN5C价格涨浮变化大,商品标价仅供参考,并非实际售价,请您与香蕉视频TV下载联系咨询商品当前实际售价以及货期,以免耽误您的使用

咨询热线

0755-21631136

热门标签

香蕉视频TV下载传动, 线性香蕉视频APP下载, 直线香蕉视频APP下载, 微型香蕉视频APP下载, 香蕉视频APP下载, 上银香蕉视频APP下载, 线性香蕉APP破解版, 直线香蕉视频APP下载规格, 直线香蕉视频APP下载型号, 香蕉视频APP下载精度, 深圳香蕉视频APP下载代理商, 直线香蕉视频APP下载预压, 直线香蕉视频APP下载电子样本, 直线香蕉视频APP下载代理商, 广州上银直线香蕉视频APP下载代理, 上银, 线性香蕉APP破解版, 线性香蕉APP破解版型号, 香蕉视频APP下载规格, 东莞上银香蕉视频APP下载总代理商, 直线香蕉视频APP下载精度, 线性香蕉视频APP下载预压, 直线香蕉视频APP下载箭头, 国产直线香蕉视频APP下载, 直线香蕉视频APP下载的设计原则, 直线香蕉视频APP下载使用常见问题, 直线香蕉视频APP下载的特点, 直线香蕉视频APP下载润滑脂, 直线香蕉视频APP下载的选型方法, 直线香蕉视频APP下载的摩擦系数, PMI银泰直线香蕉视频APP下载的几种安装方法, 直线香蕉视频APP下载精度等级划分, 银泰直线香蕉视频APP下载滑块图纸, 银泰直线香蕉视频APP下载的选型设计, 直线香蕉视频APP下载防尘处理, 银泰直线香蕉视频APP下载综合样本下载

返回香蕉视频TV下载香蕉视频APP下载滑块,线性香蕉APP破解版,微型香蕉视频APP下载顶部按钮
<a id=" src="/resource/images/57d4fe89b5864f1192976261d97f9c82_4.png" title="">香蕉视频TV下载手机网站
<a id=" src="/resource/images/57d4fe89b5864f1192976261d97f9c82_2.jpg" title="">香蕉视频TV下载公众号
  • 索取香蕉视频APP下载选型资料、获取丝杆报价电话

    137511362460755-21631136

  • 邮箱

    419865446@qq.com

  • 香蕉视频APP下载工厂地址

    深圳市宝安区松岗松涛社区广深路122号香蕉视频TV下载传动科技园研创大楼三楼

深圳市香蕉视频TV下载机电有限公司 @ 版权所有 备案号:粤ICP备85080959号-1主营:直线香蕉视频APP下载 滚珠丝杆 直线模组 微型香蕉视频APP下载    
网站地图