深圳香蕉视频TV下载直线香蕉视频APP下载丝杆模组

上银香蕉视频APP下载找香蕉视频TV下载 选型和服务棒棒哒上银香蕉视频APP下载丝杆华南仓储中心香蕉视频TV下载仓HIWIN Linear Guideway

上银香蕉视频APP下载选型报价电话137511362460755-21631136

香蕉视频TV下载-只做原装正品,绝不以次充好
  • HIWIN上银微型滑块MGN7H尺寸详解
HIWIN上银微型滑块MGN7H尺寸详解
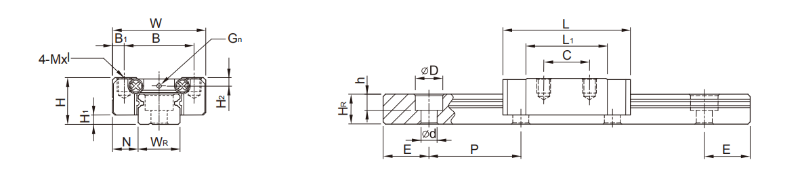
香蕉视频TV下载都知道,MGN7H是上银微型滑块MGN7C的加长版,总长度比MGN7C长了8.3mm,能承受更大的负荷,今天,香蕉视频TV下载就带大家了解一下HIWIN上银微型滑块MGN7H尺寸表,让您的直线香蕉视频APP下载选型有个参考。详情可致电13751136246.
全国热线

0755-21631136

产品简介 / Introduction

香蕉视频TV下载都知道,MGN7H是上银微型滑块MGN7C的加长版,总长度比MGN7C长了8.3mm,能承受更大的负荷,今天,香蕉视频TV下载就带大家了解一下HIWIN上银微型滑块MGN7H尺寸表,让您的直线香蕉视频APP下载选型有个参考。

HIWIN上银微型滑块MGN7H尺寸详解

HIWIN上银微型滑块MGN7H尺寸详解

从上图的MGN7H上银微型滑块尺寸表,香蕉视频TV下载可以看到,这两个规格的直线香蕉视频APP下载,除了总长度,以及螺丝孔安装尺寸,其余的尺寸,都是一样的,在精度允许的范围内,香蕉视频APP下载可以任意互换。具体的尺寸参数,朋友们可以参考上图,或者联系香蕉视频TV下载香蕉视频TV下载,香蕉视频TV下载免费提供上银微型滑块的选型资料。

HIWIN上银微型滑块MGN7H尺寸详解

香蕉视频TV下载传动,12年专注上银微型直线香蕉视频APP下载传动与控制,15年直线香蕉视频APP下载选型与应用经验的工程师提供技术支持,服务各种自动化设备,数控加工设备,医疗器械等直线香蕉视频APP下载传动系统。详情可致电13751136246或访问网址:www.ochiai-dc.com进行咨询,香蕉视频TV下载将会为您解决更多直线香蕉视频APP下载选型及应用难题。 喷塑流水线设备 http://www.chinaxks.com/products_list_21_1.html

热品推荐 / Hot product

上银微型香蕉视频APP下载MGW12H

HIWIN上银微型香蕉视频APP下载MGW12H

上银微型香蕉视频APP下载型号规格MGW12H,是微型香蕉视频APP下载MG系列的加宽香蕉APP破解版的型号,大幅提升力矩负荷能力,可单轴使用;采用哥德型四点接触设计,可承受各方向负荷,具备刚性强,精度高等特性。上银微型香蕉视频APP下载型号规格MGW12H尺寸参考资料
上银微型香蕉视频APP下载MGN9C

HIWIN上银微型直线香蕉视频APP下载MGN9C

HIWIN上银微型直线香蕉视频APP下载MGN9C,是上银微型香蕉视频APP下载MG系列之一,可以选用防尘片。特点是体积小、轻量化,特别适合小型化设备使用。滑块与香蕉视频APP下载材质有合金钢香蕉视频APP下载滑块以及不锈钢香蕉视频APP下载滑块之分,详细的型号规格以及具体库存、价格,请您与香蕉视频TV下载香蕉视频TV下载机电联系。
上银微型香蕉视频APP下载规格尺寸MGN7C

上银微型香蕉视频APP下载型号规格-MGN7C

上银微型香蕉视频APP下载MGN系列,体积小,轻量化,滑块主体的一部分采用了树脂材料,重量减少约20%;采用哥德型四点接触设计,可承受各方向负荷,具备刚性强,精度高等特性;有钢珠保持器设计,在精度允许下具备互换性;
上银微型香蕉视频APP下载MGN5C-O

上银微型香蕉视频APP下载MGN5C-O

温馨提示:上银微型香蕉视频APP下载MGN5C价格涨浮变化大,商品标价仅供参考,并非实际售价,请您与香蕉视频TV下载联系咨询商品当前实际售价以及货期,以免耽误您的使用

咨询热线

0755-21631136

热门标签

香蕉视频TV下载传动, 线性香蕉视频APP下载, 直线香蕉视频APP下载, 微型香蕉视频APP下载, 香蕉视频APP下载, 上银香蕉视频APP下载, 线性香蕉APP破解版, 直线香蕉视频APP下载规格, 直线香蕉视频APP下载型号, 香蕉视频APP下载精度, 深圳香蕉视频APP下载代理商, 直线香蕉视频APP下载预压, 直线香蕉视频APP下载电子样本, 直线香蕉视频APP下载代理商, 广州上银直线香蕉视频APP下载代理, 上银, 线性香蕉APP破解版, 线性香蕉APP破解版型号, 香蕉视频APP下载规格, 东莞上银香蕉视频APP下载总代理商, 直线香蕉视频APP下载精度, 线性香蕉视频APP下载预压, 直线香蕉视频APP下载箭头, 国产直线香蕉视频APP下载, 直线香蕉视频APP下载的设计原则, 直线香蕉视频APP下载使用常见问题, 直线香蕉视频APP下载的特点, 直线香蕉视频APP下载润滑脂, 直线香蕉视频APP下载的选型方法, 直线香蕉视频APP下载的摩擦系数, PMI银泰直线香蕉视频APP下载的几种安装方法, 直线香蕉视频APP下载精度等级划分, 银泰直线香蕉视频APP下载滑块图纸, 银泰直线香蕉视频APP下载的选型设计, 直线香蕉视频APP下载防尘处理, 银泰直线香蕉视频APP下载综合样本下载

返回香蕉视频TV下载香蕉视频APP下载滑块,线性香蕉APP破解版,微型香蕉视频APP下载顶部按钮
<a id=" src="/resource/images/57d4fe89b5864f1192976261d97f9c82_4.png" title="">香蕉视频TV下载手机网站
<a id=" src="/resource/images/57d4fe89b5864f1192976261d97f9c82_2.jpg" title="">香蕉视频TV下载公众号
  • 索取香蕉视频APP下载选型资料、获取丝杆报价电话

    137511362460755-21631136

  • 邮箱

    419865446@qq.com

  • 香蕉视频APP下载工厂地址

    深圳市宝安区松岗松涛社区广深路122号香蕉视频TV下载传动科技园研创大楼三楼

深圳市香蕉视频TV下载机电有限公司 @ 版权所有 备案号:粤ICP备85080959号-1主营:直线香蕉视频APP下载 滚珠丝杆 直线模组 微型香蕉视频APP下载    
网站地图